波段分为:2.7、3.9、4.3、5.1
热释电火焰传感器采用全新钽酸锂(LiTaO3)单晶环保材料制作的敏感元,是将数字信号调理芯片(IC)与感应敏感元集成在电磁屏蔽罩内一体化的4Pin数字式PIR火焰传感器,探头与外部控制器双向通信实现各类配置工作状态的应用。
全国服务热线:15106195679
在线咨询产品概述

热释电火焰传感器采用全新钽酸锂(LiTaO3)单晶环保材料制作的敏感元,是将数字信号调理芯片(IC)与感应敏感元集成在电磁屏蔽罩内一体化的4Pin数字式PIR火焰传感器,探头与外部控制器双向通信实现各类配置工作状态的应用。
敏感元将感应到的火焰闪烁信号通过甚高阻抗差分输入电路耦合输入数字信号调理IC,数字IC芯片通过14位ADC转换为数字信号,便于后续信号处理及逻辑控制。
包括探测灵敏度暨触发阈值的调整、触发复位后盲锁时间、触发事件的信号脉冲计数时间窗口及算法等控制条件,以及三种工作模式的选择均可通过外部控制器(µC)由单线通信接口 SERIN 对内部寄存器进行配置来实现。
在数字探头进行日常持续火焰传感监测时,µC无需唤醒(进入待机状态以节省电耗);仅当数字探头检测到火焰闪烁信号且达到事先配置的触发条件时,探头内部调理IC通过INT/DOCI外接口向µC 发送中断唤醒指令,µC随之进入工作状态(执行后续控制动作);根据配置工作模式,µC也可通过DOCI端口定期读出或随时强制读出探头火焰信号数字值,然后由µC通过自编算法控制条件决定后续执行操控动作。
得益于中断唤醒这一充分的省电耗工作机制,该数字传感系统适合对节能要求较高的场合,尤其是电池供电的应用场合,堪称最省电的传感控制解决方案。
产品特性
![]()
◆ 数字信号处理,与控制器双向通信
◆ 可配置检测触发条件和实现三种不同工作模式,支持明火监测结果输出和火焰信号数据值ADC滤波输出
◆ 内置红外传感器的二阶巴特沃斯带通滤波器,屏蔽其它频率的输入干扰
◆ 红外微信号调理电路全部内封在电磁屏蔽罩里面,外引脚只有电源和数字接口,因此有超强的抗射频干扰能力
◆ 系统工作机理深度考虑节省电耗,适应电池供电之设备应用
◆ 电源电压和片上温度检测
◆ 上电启动自检后工作,并快速稳定
◆ 采用无害LiTaO3敏感元材料严格满足 RoHS 环保要求,无需豁免的 RoHS 认证书
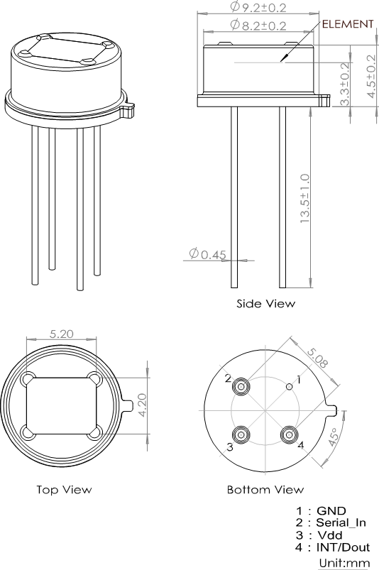
外形尺寸和丝印

窗口尺寸:
B:5.2 x 4.2
单位: 毫米(mm)
丝印:
第一行: 产品型号
第二行: YYWW(出产日期)

注意事项

检测闪烁火焰信号的数字热释电红外传感器,对于火焰以外的热源或无热源温度变化及移动的情况可能无法检测;请务必注意以下事项:
1热释电红外探测器是典型的交流工作器件。当目标静止,温度不变时,热释电红外探测器没有信号输出。只有发生瞬态目标移动,或者温度变化,或者用斩波器进行调制时,才会有信号输出。
2在操作、使用和保存热释电红外探测器过程中,要避免快速温度变化,当温度变化速率小于1℃/分钟时,探测器才能保持正常工作。如果探测器升温速度过快,有可能造成钽酸锂薄片的损坏。
3热释电红外探测器具有压电性,对声音、电磁波、震动都十分敏感,使用热释电红外探测器时,适当的减震和屏蔽是必要的。
4焊接热释电红外探测器时,建议在4mm以上位置焊接,焊接时间要尽可能短,并用镊子夹住管脚根部帮助散热,防止探测器灵敏元损伤。要防止元件跌落。备用元件要干燥保存。
5当操作热释电红外探测器时,由于手的接触,特别是经过焊接,改变了热释电红外探测器的温度,所以探测器重新工作时,要等待一段时间,待探测器温度平衡后,才能恢复正常工作。探测器加温后, 立即接通电源,此时探测器可能处于截止状态。
不能用手和硬物直接触摸窗口,要保持窗口清洁,有污物时,可用酒精棉球轻轻擦拭干净。
应用领域

非碳火感应、探测预警;各类消防报警器、工业厂房/矿区/家庭火灾预警报警等。
