模拟热释电红外传感器
>
<
模拟热释电红外传感器
模拟热释电红外传感器

*高灵敏度和优越的信噪比
*对温度变化的高稳定性
*抗干扰能力强 (例如振动,射频干扰等.)

全国服务热线:15106195679

在线咨询

产品特点


1693531967308532.png


◆  高灵敏度和优越的信噪比

◆  对温度变化的高稳定性
◆  抗干扰能力强 (例如振动,射频干扰等.)



使用范围


1693531967308532.png


本规格书使用于被动式热释电红外传感器输出装置。



传感器输出形式


1693531967308532.png


平衡差动型 (反向串联型)



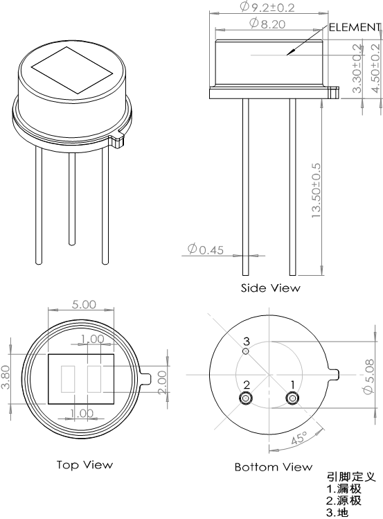
外形及尺寸


1693531967308532.png


外观:表面光洁,无划伤、污渍、生锈等现象。

外形及尺寸:具体尺寸详见图1。


image.png


本产品符合欧盟RoHS指令要求.






产品应用


1693531967308532.png


安防、照明器具、家庭和其他领域


111.jpg